1 €
Engineering design, Maintenance and Construction Adviser, 3D printing
Turku, Varissuo, Varsinais-Suomi
Hei,
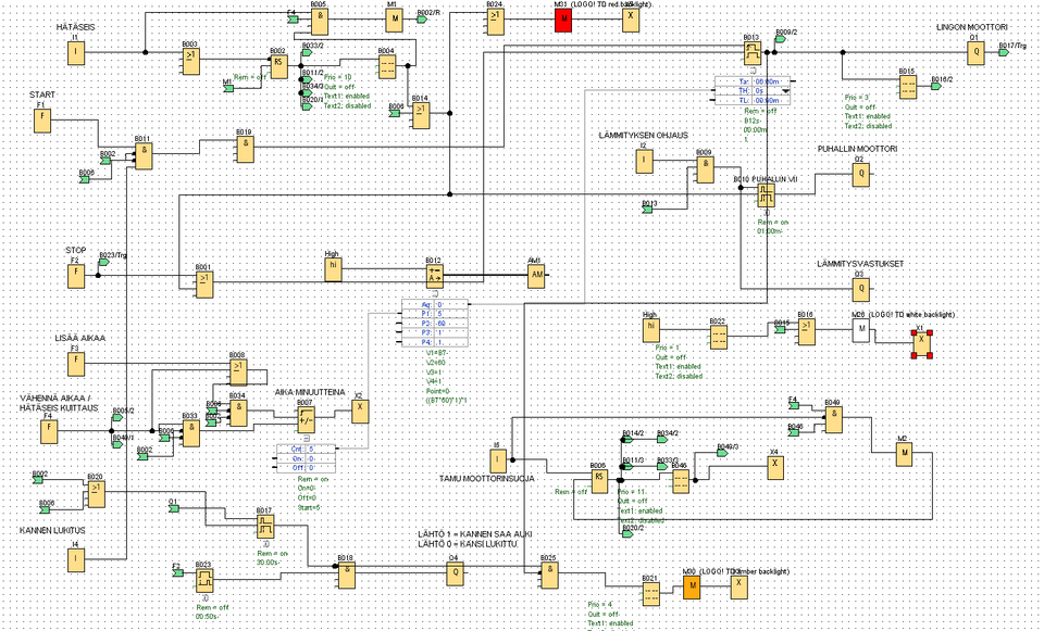
Teen omalla toiminimellä automaatio- ja mekaniikkasuunnittelua yli 15 vuoden kokemuksella. Automaatioprojekteissa käytössä SIEMENS LOGO! logiikka ja ohjaus- ja sähkökaappien valmistus onnistuu myös. Mekaniikkasuunnittelussa 3D-mallinnus projektit voivat olla lähes mitä tahansa ja sovitaan tarpeesi mukaan.
Ota rohkeasti yhteyttä niin kerron lisää ja pidetään etäkahvit
Kirjaudu sisään, jos haluat nähdä profiilin ja lähettää viestejä.
Kirjaudu sisäänViimeksi muokattu: 5.10.2024 klo 12.40 ・ Ilmoituksen tunnus: 11272053
