
Kuvagalleria
(1/3)
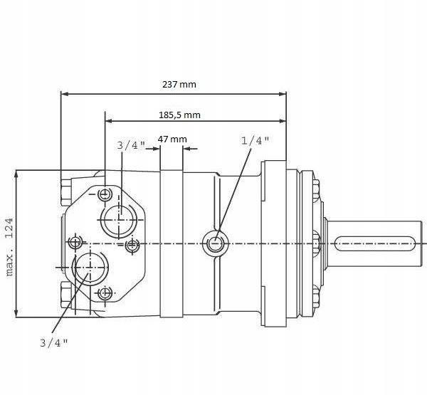
MT Geroottori moottori 500 40mm akselilla
Myydään580 €
Kuvaus
Geroottorimoottori (Danfoss OMT vaihtokelpoinen)
Soveltuu hakkureihin, harvestereihin ja hydraulivetoihin
40mm lieriöakseli kiilauralla
4-pulttinen kiinnitys
Liitännät 3/4"
Tekniset tiedot
Kierrostilavuus 500cm³
Max. nopeus jatkuva 240 rpm / hetkellinen 285 rpm
Max. vääntö jatkuva 1220 Nm / hetkellinen 1370 Nm
Max. teho jatkuva 26 kW / hetkellinen 31 kW
Max. Käyttöpaine 180 bar
Max. virtaus jatkuva 125 L/min / hetkellinen 150 L/min
Hinta sis. alv.
Takuu 24kk
Lähetys 10 euroa ympäri Suomen
Myös nouto
Löytyy myös muita kokoja ja malleja, sekä muita hydrauliikka tuotteita
Huom! Painike, joka näyttää koko kuvauksen on pelkästään visuaalinen.
Lisätietoja
- Kunto
- Uusi
Sijainti
| Ilmoituksen tunnus | 22049036 |
|---|---|
| Viimeksi muokattu | 23.3.2025 klo 13.02 |

