599 €
Atlas Copco Cobra 248 ja Atlas Copco Cobra 249 poraavaksi kallioporakoneeksi
Pori, Söörmarkku, Satakunta
499 €
Kunto: Kuin uusi
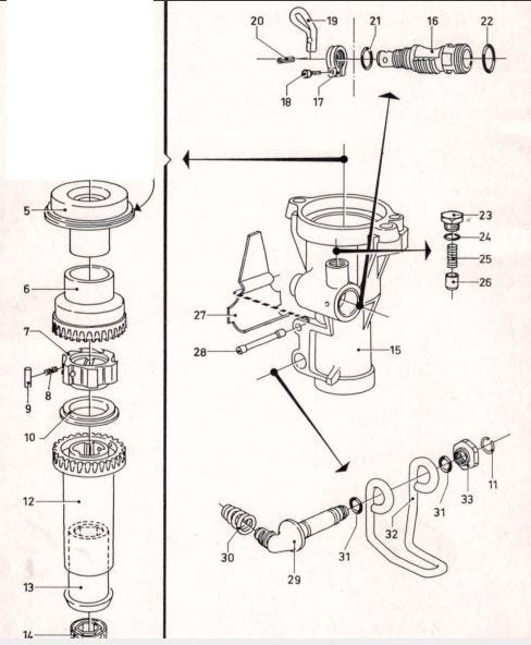
Uusi porakoneisto Atlas Copco Cobra 148 ja Atlas Copco Cobra 149 kallioporakoneeseen
Jos sinulla on Atlas Copco Cobra 148 ja Atlas Copco Cobra 149 kallioporakone jossa porakoneisto on kulunut tai rikki, pystyt tällä paketilla vaihtamaan koko porakoneiston uuteen,
Porakoneiston mukana tulee myös uusi kallioporaholkki
Kirjaudu sisään, jos haluat nähdä profiilin ja lähettää viestejä.
Kirjaudu sisäänViimeksi muokattu: 3.8.2025 klo 16.12 ・ Ilmoituksen tunnus: 22730140






