
Kuvagalleria
(1/2)
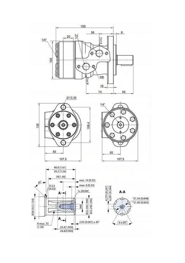
Hydraulimoottori 6 uraisella akselilla 125cm3
Myydään240 €
Kuvaus
Hydraulimoottori 6-uraisella akselilla 125cm3
SK 2-pulttikiinnitys väli 106,4 mm, ohjuri 82,5 mm
Vaihtokelpoinen Danfoss moottoreiden kanssa
Pyörimissuunta: molemmin päin
Liitäntä BSP 1/2 "
Vuoto liitäntä BSP 1/4 ”
Suurin virtaus 90 L / min
Suurin paine 200 bar
Suurin teho: 14.5 kW
Suurin vääntömomentti 370 Nm
Suurin pyörimisnopeus 475 rpm
Kuvassa moottorin tarkemmat mitat
Hinta sis. alv.
Takuu 12kk
Lähetys 10 euroa ympäri Suomen
Myös nouto
Löytyy myös muita kokoja, sekä muita hydrauliikka tuotteita
Huom! Painike, joka näyttää koko kuvauksen on pelkästään visuaalinen.
Lisätietoja
- Kunto
- Uusi
Sijainti
| Ilmoituksen tunnus | 23143376 |
|---|---|
| Viimeksi muokattu | 13.4.2025 klo 13.45 |
