Kuvagalleria
(1/2)
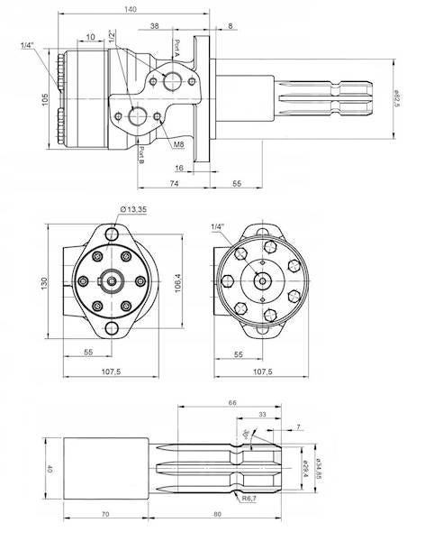
32cm3 BMR OMP SMR Hydraulimoottori 6 uraisella PTO akselilla
Myydään220 €
Kuvaus
Hydraulimoottori 6-uraisella "traktoriakselilla”
25 mm lieriöakseli kiilauralla
Liitäntä 1/2"
Vuotoliitäntä G 1/4"
Käyttökohteita: esim. maatalouskoneet, hiekottimet sirkkelit, lietepumput, vinssit jne.
Tekniset tiedot
Kierrostilavuus 32 cm³
Max. nopeus jatkuva 1085 rpm / hetkellinen 1200 rpm
Max. vääntö jatkuva 72 Nm / hetkellinen 83 Nm
Max. teho jatkuva 8.5 kW / hetkellinen 9.8 kW
Max. käyttöpaine jatkuva 165 bar / hetkellinen 200 bar
Max. virtaus jatkuva 40L/min hetkellinen 45 L/min
Hinta sis. alv.
Takuu 12kk
Lähetys 10 euroa ympäri Suomen
Myös nouto
Löytyy myös muita kokoja. sekä muita hydrauliikka tuotteita
Huom! Painike, joka näyttää koko kuvauksen on pelkästään visuaalinen.
Lisätietoja
- Kunto
- Uusi
Sijainti
| Ilmoituksen tunnus | 23654803 |
|---|---|
| Viimeksi muokattu | 23.4.2025 klo 18.43 |

