ToriDiili
Kuvagalleria
(1/5)
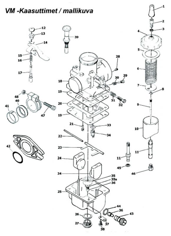
kaasutin
Myydään
10 €
Myyjä ei ole vielä aktivoinut ToriDiiliä. ToriDiili on Torin uusi maksu- ja kuljetuspalvelu, jolla kotiutat torilöydöt nopeasti ja turvallisesti. Lue lisää
Tuotteen kuvaus
Kunto: Hyvä
mikuni 28mm kaasutin (puuttuu kuvan numeroidut osat) 1,2,3,4,5,6,7,8,9,10 ilmeisesti yamaha tzr 125 ???
Huom! Painike, joka näyttää koko kuvauksen on pelkästään visuaalinen.
Käyttäjäprofiili
Kirjaudu sisään, jos haluat nähdä profiilin ja lähettää viestejä.
Kirjaudu sisäänIlmoituksen metatiedot
Viimeksi muokattu: 30.7.2025 klo 11.24 ・ Ilmoituksen tunnus: 25721848