
Kuvagalleria
(1/2)
SteyrTek Siirrettävä matalanostin ST-H30
Myydään1 650 €
Kuvaus
SteyrTek ST-H30 Matalanosturi rengastöille
Nopeakäyttöisen näppärän nosturin etu on edullisen hankintahinnan ja lujan rakenteen lisäksi se, että yrityskäytössä sitä ei tarvitse vuosittain katsastaa kuten muita nostureita. Nosto on rajoitettu 500 milliin, jolloin vuosikatsastuspakko poistuu.
SteyrTek nosturi vaatii vähän tilaa ja on helposti siirrettävissä.
Korkea laatu ja vahva rakenne tekevät SteyrTekistä vakaan ja luotettavan.
Ajosiltojen vahva yhdysrakenne varmistaa molempien puolien ehdottoman tasaisen nousun. Auton kallistumisvaaraa ei ole.
Ideaali ratkaisu rengas- ja peltitöihin.
Matala 95 mm (lattian pinnasta) rakenne mahdollistaa vaivattoman auton ajon nosturille
Hydraulisylinterien lukitus putkirikon varalle.
Automaattilukitus, ei tarvitse paineilmaa lukitukseen.
Ei vaadi kiinteää asennusta. Nopea ottaa käyttöön, nopea siirtää. Vaivattomuutta SteyrTekiltä.
Tekniset tiedot
Paino 385kg
Nostokyky 2500kg
Nostokorkeus 595mm
Nostoaika 25s
Laskuaika 25s
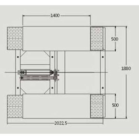
Kokonaisleveys 1880mm
Moottoriteho 2.2kW
Käyttöjännite 380V
Korkeus ala-asennossa 95mm
Ajosillan pituus 1400mm
Ajosillan leveys 500mm
Käyttölämpötila +5 ~ + 40°C
Äänitaso 70dB
Turvalukituksen tyyppi Sähköinen
Säilytyslämpötila - 25 ~ +55°C
Max käyttö merenpinnasta 1000m
Ilmankosteus 30-95%
Nostosylinterin pää keskellä 135mm
Hinta sis. alv.
Ilmainen toimitus ympäri Suomen
Myös nouto
Saatavilla myös muita korjaamokoneita
Huom! Painike, joka näyttää koko kuvauksen on pelkästään visuaalinen.
Lisätietoja
- Kunto
- Uusi
Sijainti
Ilmoituksen tunnus | 31098137 |
---|---|
Viimeksi muokattu | 2.10.2025 klo 5.48 |