
Kuvagalleria
(1/3)
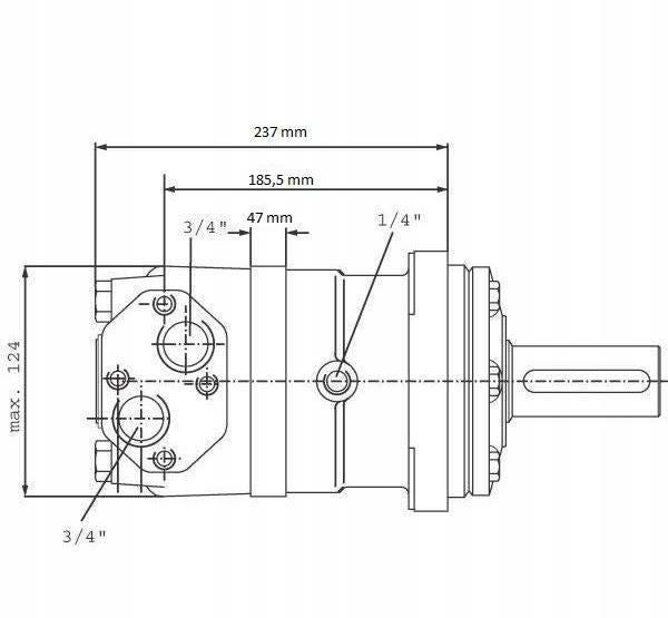
MT Geroottori moottori 250cm3 40mm akselilla
Myydään480 €
Kuvaus
Geroottorimoottori (Danfoss OMT vaihtokelpoinen)
Soveltuu hakkureihin, harvestereihin ja hydraulivetoihin
40mm lieriöakseli kiilauralla
4-pulttinen kiinnitys
Liitännät 3/4"
Tekniset tiedot
Kierrostilavuus 250cm³
Max. nopeus jatkuva 500 rpm / hetkellinen 600 rpm
Max. vääntö jatkuva 730 Nm / hetkellinen 880 Nm
Max. teho jatkuva 32 kW / hetkellinen 39 kW
Max. Käyttöpaine 240 bar
Max. virtaus jatkuva 125 L/min / hetkellinen 150 L/min
Hinta sis. alv.
Takuu 24kk
Lähetys 10 euroa ympäri Suomen
Myös nouto
Löytyy myös muita kokoja ja malleja, sekä muita hydrauliikka tuotteita
Huom! Painike, joka näyttää koko kuvauksen on pelkästään visuaalinen.
Lisätietoja
- Kunto
- Uusi
Sijainti
| Ilmoituksen tunnus | 31179053 |
|---|---|
| Viimeksi muokattu | 4.10.2025 klo 8.57 |

