Kuvagalleria
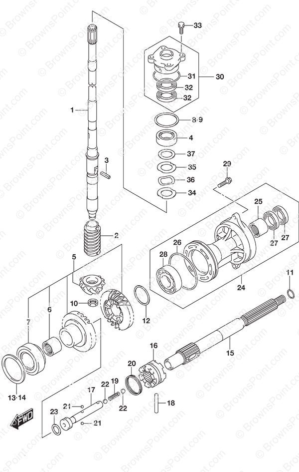
KOETLO. 55110-87L32-YAY
(1/6)
PERÄ /VETOLAITE TÄYD. SUZUKI DF70/90A 2017->
Myydään
2 200 €
Myyjä ei ole vielä aktivoinut ToriDiiliä. ToriDiili on Torin uusi maksu- ja kuljetuspalvelu, jolla kotiutat torilöydöt nopeasti ja turvallisesti. Lue lisää
Tuotteen kuvaus
Kunto: Hyvä
Suzuki täydellinen perä sopii 2009 eteenpäin..tämä on 2017-mallisen
Kotelon no. 55110-87L32-YAY
Huom! Painike, joka näyttää koko kuvauksen on pelkästään visuaalinen.
Käyttäjäprofiili
Kirjaudu sisään, jos haluat nähdä profiilin ja lähettää viestejä.
Kirjaudu sisäänIlmoituksen metatiedot
Viimeksi muokattu: 14.1.2026 klo 7.45 ・ Ilmoituksen tunnus: 35129610