Kuvagalleria
teräsportaat
Myydään
50 €
Tuotteen kuvaus
Kunto: Uusi
Myydään yritykseltä ylimääräiseksi jääneitä tavaroita
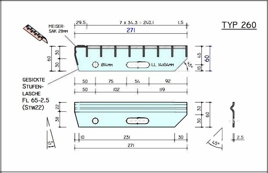
Laserleikattuja reisipalkki aihioita teräsportaiden rakentamiseen 4kpl
800x260 ritiläaskelmia 5kpl
Suunniteltu 1,6 m korkeaksi, mutta leikkaamalla saa tehtyä tietysti matalammat. (esim. yhdestä aihiosta voi tehdä kaksi kolmen askelman korkuista reisipalkkia)
Hinta: (hinnat sisältävät alv 25,5%)
reisipalkkiaihio 1kpl 50€, 2kpl 70€, 3kpl 100€, 4kpl 120€
ritiläaskelmat 40€/kpl
Suunniteltu Hartmanin 260 syvälle ritiläaskelmalle
Mitat:
nousu 200 mm
etenemä 230 mm
kokonaiskorkeus 1600 mm, 8 askelmaa
kulma 41 astetta
kiinnitysreiät 12,5 mm
levyn vahvuus 4 mm
lisää mittoja kuvissa
Tavarat sijaitsee Lapualla, vain nouto
Käyttäjäprofiili
Kirjaudu sisään, jos haluat nähdä profiilin ja lähettää viestejä.
Kirjaudu sisäänIlmoituksen metatiedot
Viimeksi muokattu: 18.1.2026 klo 17.44 ・ Ilmoituksen tunnus: 35898124
