Kuvagalleria
Borö energiavaraaja 500l + Ouman 800B + Haato HK 55 (pakettina)
Myydään
600 €
Tuotteen kuvaus
Kunto: Hyvä
Purettu viikolla 4/2026 suoraan käytöstä MLP asennuksen takia. Tässä oli VILP kytkettynä ja pikkuvaraaja priimasi käyttöveden. Tosi energiapihi ratkaisu talon ja käyttöveden lämmitykseen. Laita tähän VILP kiinni ja siinä on edullisesti paketti pitkäksi aikaa.
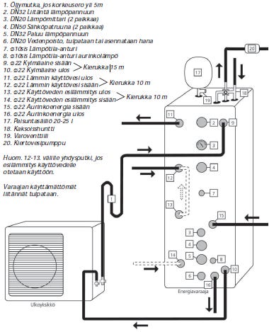
Paketissa mukana:
- Borö, TIV 500 B10l Energiavaraaja, 500 litraa, käyttöönotto 2009. 9kW vastus kiinni varaajassa.
-Kierukka 1 15m DN22
-Kierukka 2 Käyttövesi 1 10m
-Kierukka3 Käyttövesi 2 10m
-Kierukka 4 aurinko 10m
- Haato 3-HK-55 kuumavesivaraaja, 55l, 2kW, käyttöönotto 2021/11. Sisältää varoryhmän (Kärkkäisillä 789 eur)
-Ouman EH-800B (Kärkkäisillä 635eur)
-Käyttöönotto 2019?
-Sekoitusventtiili kiinni energiavaraajassa
Myydään vain pakettina ja noudettuna.
Käyttäjäprofiili
Kirjaudu sisään, jos haluat nähdä profiilin ja lähettää viestejä.
Kirjaudu sisäänIlmoituksen metatiedot
Viimeksi muokattu: 1.2.2026 klo 19.27 ・ Ilmoituksen tunnus: 36538926
