Kuvagalleria
(1/1)
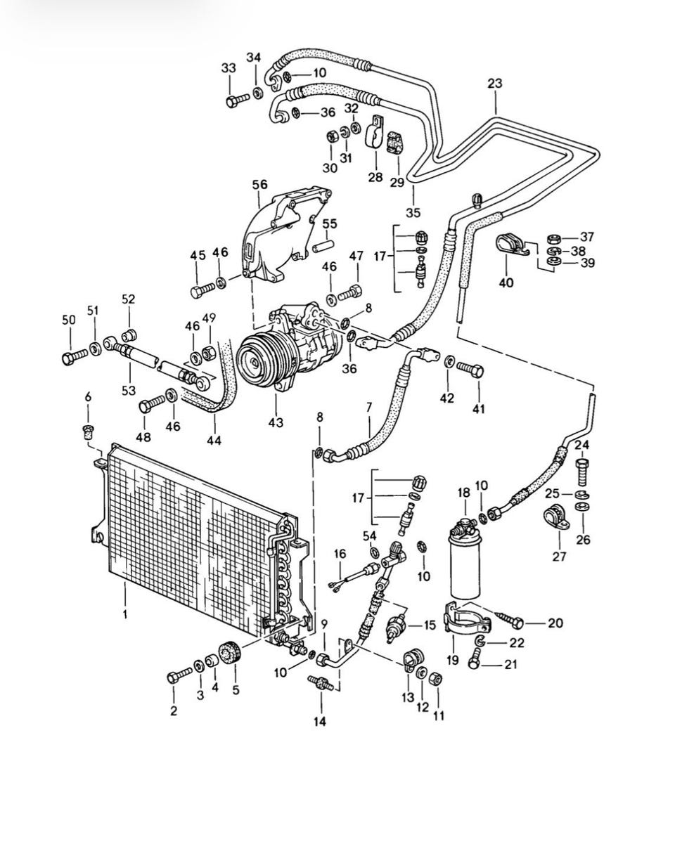
O: porsche 944 kaikki ilmastoinnin osat
Ostetaan
Tuotteen kuvaus
Kunto: Hyvä
Ostetaan ilmastoinnin osia/koko järjestelmä
Huom! Painike, joka näyttää koko kuvauksen on pelkästään visuaalinen.
Käyttäjäprofiili
Kirjaudu sisään, jos haluat nähdä profiilin ja lähettää viestejä.
Kirjaudu sisäänIlmoituksen metatiedot
Viimeksi muokattu: 17.2.2026 klo 14.58 ・ Ilmoituksen tunnus: 37172637

