Kuvagalleria
Ajomoottori
(1/13)
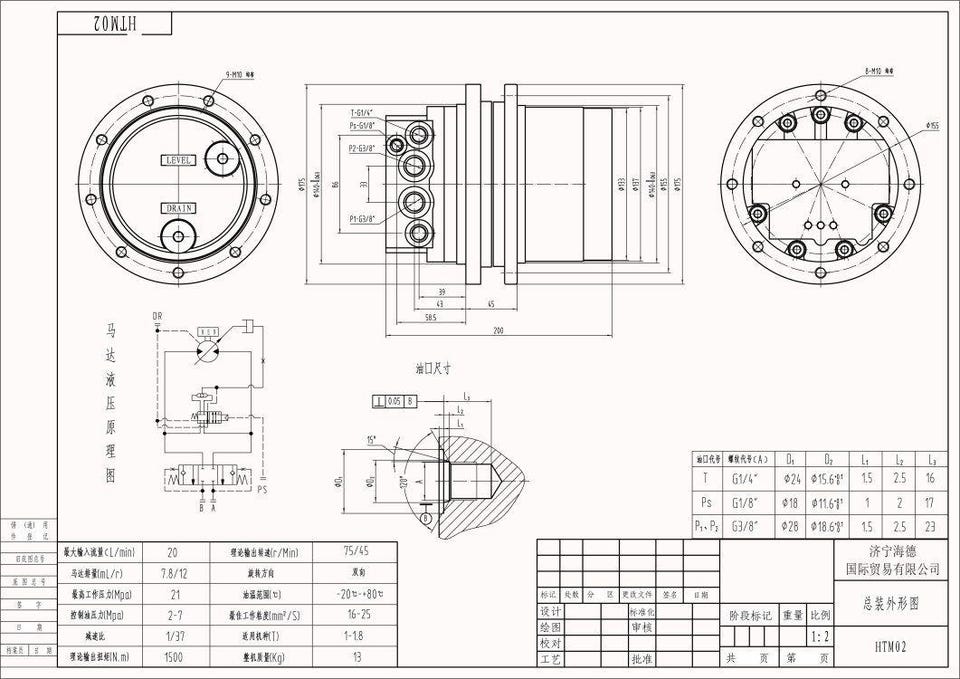
Ajomoottori (HMD02,HTM02) ja vetopyörä.
Myydään
500 €
Myyjä ei ole vielä aktivoinut ToriDiiliä. ToriDiili on Torin uusi maksu- ja kuljetuspalvelu, jolla kotiutat torilöydöt nopeasti ja turvallisesti. Lue lisää
Tuotteen kuvaus
Kunto: Uusi
Ajomoottori pieneen kaivinkoneeseen noin 1 tonnin luokkaan tai
johonkin muuhun koneeseen/projektiin.
Mukaan tulee vetopyörä telaa varten.
Ajomoottoreita löytyy 2kpl, eli 500e/kpl.
Käyttämättömät, ostettu kiinasta vuonna 2020.
Pulttikoot ja jaot:
Vetopyörä M10 9kpl, pulttijako 53mm.
Ajomoottorin kiinnitys M10 8kpl, pulttijako 60mm.
Huom! Painike, joka näyttää koko kuvauksen on pelkästään visuaalinen.
Käyttäjäprofiili
Kirjaudu sisään, jos haluat nähdä profiilin ja lähettää viestejä.
Kirjaudu sisäänIlmoituksen metatiedot
Viimeksi muokattu: 30.3.2026 klo 16.39 ・ Ilmoituksen tunnus: 39061056